• 表面贴装型封装
• 幅射强度高、顺向电压低
• 可用于消费类组件、摇控触控平板、工业设备
| 产品参数/Ta=25℃: | |||||||
| Product |
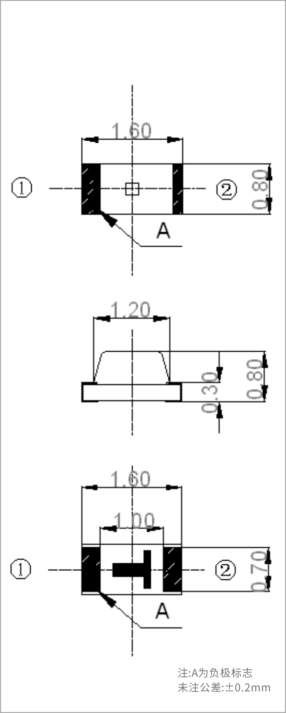
Size L×W×Hmm |
VF (V) Typ. | VF (V) Max. | Ie (mW/sr) | Ie (mW/sr) |
λP(nm)Typ. | 2θ1/2(°) |
| FC-1608IK-850 |
1.6×0.8×0.8 | 1.5 | 1.8 | 2.0 | 2.5 | 850 | 150 |
| FC-1608IK-940 |
1.6×0.8×0.8 | 1.2 | 1.5 | 0.5 | 1.1 | 940 | 150 |
| 产品参数/Ta=25℃: | |||||||
| Product | Size L×W×Hmm |
λP(nm) Typ. |
Rise/Fall |
Vce=(sat) |
IC(on)Min |
IC(on)Typ |
IC(on)-Max |
| FC-1608PDk | 1.6×0.8×0.8 | 940 | 15/15 | 0.4 | 0.15 | 0.45 | - |
