永信贵宾会-欢迎您永信贵宾会

头部二维码
股票代码:002449
返回

NH-B1212RGBA-HF

goods_63b5306d5b14e

产品特点

黑色框架,对比度高;

可靠性好,性价比高;

哑光封装,无镜面反射,表面一致性好。

产品参数

                    产品型号

                颜色                 IF(mA)
TEST
                λd(nm)
Typ
                Iv(mcd)
Typ
                Vf(V)
Typ
                View angle
(deg.)

                    NH-B1212RGBA-HF

                8                 621                 36                 2.0                 110
                5                 526                 109                 2.8                 110
                3                 470                 15                 2.8                 110

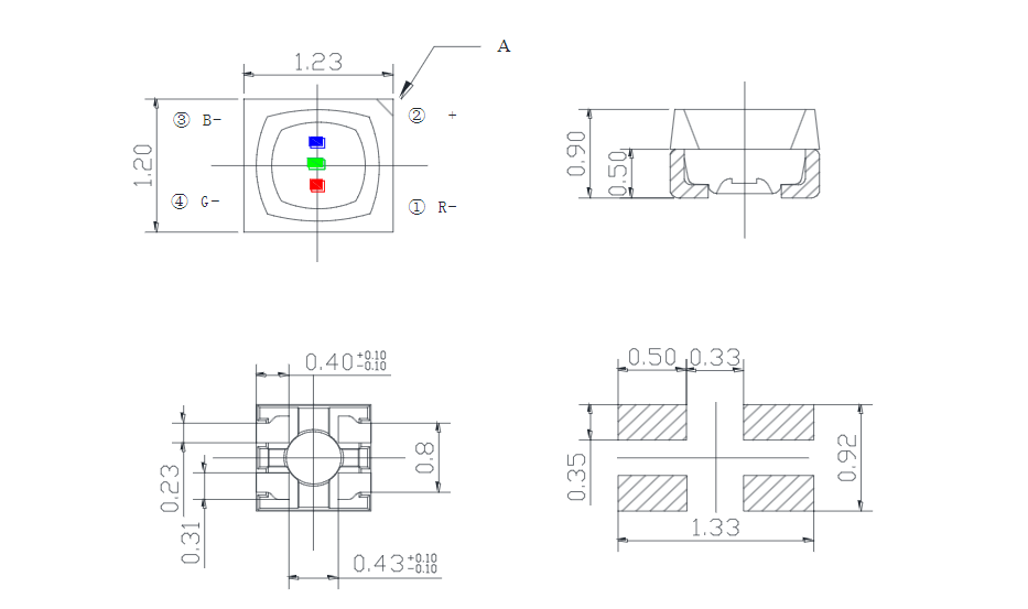
外形尺寸/单位(mm)

6.png

永信贵宾会