• High refringence,high brightness, anti-sulfur.
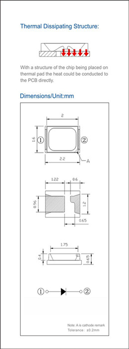
•Thin encapsulation with heat sink, efficient heat dissipation.
• High luminous efficiency,high-CRI,long lifespan.
• Eco-friendly,RoHS compliant
• Rated power:0 . 2 W
| Parameter | Symbol | Rating |
| Forward Current | IF | 75mA |
|
Pulse Forwards Current*² |
IFP | 200mA |
|
Reverse Voltage |
VR |
5V |
|
Working Temperature |
TOPR |
-30~+85℃ |
|
Storage Temperature |
TSTG |
-40~+100℃ |
| Color | Part number | Color Temp(K) | CRI Ra Min |
I F( mA) TEST |
Φv(l m) Typ. |
VF( V) Typ. |
| Natural white | FM-2016-WNS-460Q-R80 | 5600-6500 | 80 | 60 | 22 | 3.2 |
|
Neutral white |
FM-2016-WDS-460Q-R80 | 3700-4200 | 80 | 60 | 22 | 3.2 |
|
Warm white |
FM-2016-WLS-460Q-R80 |
2800-3200 |
80 |
60 |
20 |
3.2 |